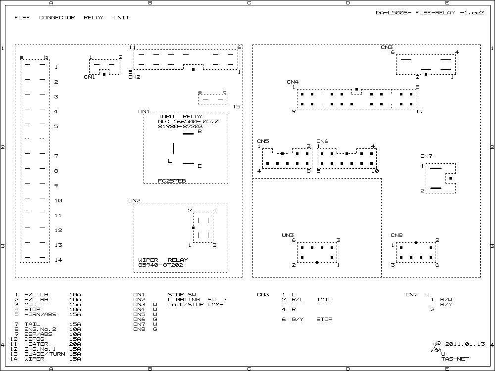
2019-07-20 DA:L500S:FUSE:RELAY:UNIT:WD:layout:location:積層配線 Fuse:Relay:Box: BCM:ETACS:MPX:IPD:電源制御:ECU:制御系:GND: WD:Wiring:Circuit:配線:CAN:GateWay:LIN:LAN: DA:L500S:FUSE:RELAY:UNIT:WD:layout:location:積層配線 - 車QF - Yahoo!ブログ 2011/1/13(木) 午後 11:28 DA:L500S:FUSE:RELAY:UNIT:WD:layout:location:積層配線TAIL LAMPが消灯せずトレンドの積層配線が使われていて、3層構造となっている。今回は別な目的でUNITを分解したら、その内部で誤作動を誘発した。目下回路構成をサーチ中です。 コメント(1) ROOM LAMPはこの車ではSTOPのFUSE,10Aと共用、ここが点灯しない場合は即注意、ストップランプも作動してない可能性があるので、走行中追突される恐れもある。 2011/1/15(土) 午前 9:04返信する トラックバック先の記事 練習用 | DA:L500S:AUDIO:pin out:86120-87284:SU:39101-78A50: ... 全932ページ [431] [432] [433] [434] [435] [436] [437] [438] [439] [440]
ROOM LAMPはこの車ではSTOPのFUSE,10Aと共用、ここが点灯しない場合は
即注意、ストップランプも作動してない可能性があるので、走行中追突される恐れもある。
2011/1/15(土) 午前 9:04
返信する
トラックバック先の記事
全932ページ