HBK:Y32-HYD P.BOOSTER:油圧ブースタ回路概要図 - 車QF - Yahoo!ブログ

NI:E-PY32:VG30DE-T:WINKER LAMP誤作動:OGW:概要構成図 RE4R03A 2960ccturbo...
2009/9/6(日) 午前 5:36 [ 車QF ]
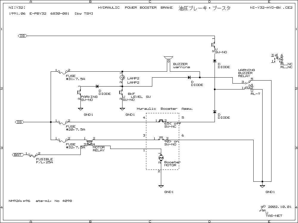
BK:負圧式ブレーキ・ブースター 大切な機能部品なので、事例を収集しておきたい。 実感としては、耐久性良好とかトラブルは少ない 感じだが、時々事例が紹介されている。T/Bのように油圧モータなどの式とかトラックなどで使われる空圧式などいくつかのタイプがそれぞれの名称が使われている。 機会をみてそれらもサーチしておきたい。 乗用車、小型トラックで多く使われている負圧利用のものがまだ主流だろう。 これは、エンジンを始動する前にブレーキ・ペダルを踏み込んでいて、始動とともに足がさらに奥にわ
2009/10/4(日) 午前 6:39 [ 車QF ]
Re: お願いします>過去ログ 2008/ 8/19 6:31 [ No.17181 / 17181 ]
投稿者 :ogw2ogw2
horioyabun さん、はじめまして TAS.です。
以下に過去ログを検索してみました。
http://blogs.yahoo.co.jp/ogw2ogw2/14782598.html
すでに指摘されている油圧発生系の作動を確認して下さい。
もし概要回路図が使える車種ならモータ系など順次点検してみたいです。
TAS...
http://messages.yahoo.co.jp/bbs?.mm=AU&action=m&board=1834968&tid=bcva4nbcalda4ja4sa4ga4bmha4a4&sid=1834968&mid=17181
返信
これは メッセージ 17177 horioyabun さんに対する返信です
2008/8/19(火) 午前 6:33
返信する
回路図
http://image.blog.livedoor.jp/nd7706/imgs/8/1/81cdd235.JPG
シーマのブレーキ
http://blog.livedoor.jp/nd7706/archives/cat_50000583.html
2009/5/26(火) 午後 4:42
返信する